+86-0523-83274900
Nainen John Morris -kiertokytkentä
Kotiin / Tuote / Vakiokytkimet / Kansainväliset vakiokytkimet / John Morris -kytkimet / Nainen John Morris -kiertokytkentä

Nainen John Morris -kiertokytkentä

Nainen John Morris -kiertokytkentä kuuluu John Morrisin kytkentäsarjaan, jossa on yksi pää sisäinen tai ulkoinen lanka ja toisella päässä on a Kytkennän ura.
Tätä kytkintä käytetään Kytke paloletkut ja palontorjuntalaitteet (kuten palopumput, paloletku ja palopostit).

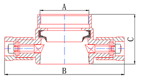
Mitat Resurssit

Kohta nro.

Din/mm

Dia

A/mm

B/mm

C/mm

Kyki

65/50

2,5 "/2"

G2 "

182

76

65

2,5 "

G2.5 "

182

76

* Materiaalit ja valmistusprosessit voidaan räätälöidä pyynnöstä.
* Muut vaatimukset (kuten työpaine, purskepaine jne.) Voidaan myös räätälöidä tarpeen mukaan.

Jiangsu Jinding Fire Protection Technology Co., Ltd.
Jiangsu Jinding Fire Protection Technology Co., Ltd., joka sijaitsee Jiang Su Xinghua Economic Development Zone -alueella, perustettiin vuonna 1998. Se on teollisuusyritys, joka integroi suunnittelu, kehitys, tuotanto ja myynti. Yhtiö on läpäissyt ISO9001: 2015 Laatujärjestelmän sertifioinnin ja vapaaehtoisen sertifikaatin, ja siihen liittyvät tuotteet ovat saaneet kansallisen palovälineiden laadunvalvonta- ja tarkastuskeskuksen tarkastusraportin.
Yrityksemme valmistaa pääasiassa useita tuotesarjoja, mukaan lukien palonsammutusliittimet, vesisuuttimet, palopostit, suurten halkaisijoiden putkiliittimet ja öljykenttien vesihuoltoliittimet. Näitä tuotteita käytetään laajalti palontorjunnassa, öljy-, kemian-, sotilas- ja muilla teollisuudenaloilla.
Yrityksellä on hyvä riippumaton tutkimus- ja kehityskyky, ja sillä on täydellinen tuotantoprosessit, kuten muotin valmistus, tuotannon käsittely ja tuotteiden testaus. Samanaikaisesti yritys liittyy asiakkaiden vaatimusten merkityksen, markkinoiden dynamiikan oikea -aikaisia, kehittää ja tuottaa jatkuvasti uusia tuotteita ja voittaa uusien ja vanhojen asiakkaiden luottamuksen ja kiitoksen.
Yritys toimittaa luotettavasti Nainen John Morris -kiertokytkentä ja ammattimaisia ​​palveluita, jotka perustuvat laatuun sitoutumiseen ja yhteistyökumppanuuksiin, pyrkien rakentamaan kestäviä yhteistyösuhteita asiakkaiden kanssa.
27+

27 vuotta teollisuutta Valmistuskokemus

Todistukset
Uutiset
Keskustellaan
Sano vain hei ja aloitamme hedelmällisen yhteistyön. Aloita oma menestystarina.
Tarvitsetko laitteita yrityksellesi?
Anna tiimimme tarjota sinulle mukautettuja ratkaisuja.