+86-0523-83274900
John Morris paloletkun kytkentä

John Morris paloletkun kytkentä

John Morrisin paloletkun kytkentä voidaan luokitella kahteen tyyppiin Takaputken muoto:
Kello 1. Juhlatut häntäpäätyyppi: Kun letku on kytketty letkuun, letku asetetaan takaputken ulkopuolelle ja kytketään käyttämällä Alumiinirenkaan puristusmenetelmä.
2. Unelit takapäätyyppi: Tyyppi: Kun letku on kytketty letkuun, letku asetetaan takaputken ulkopuolelle ja kytketty johtimen sitomismenetelmällä.

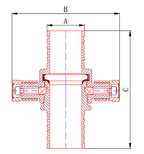
Mitat Resurssit

Kohta nro.

Din/mm

Dia

A/mm

B/mm

C/mm

DN

40

1,5 "

38

136

153

65/40

2,5 "/1.5"

38

182

201

65/45

2,5 "/1.75"

44

182

201

65/50

2,5 "/2"

51

182

201

65

2,5 "

63.5

180

200

150

6 "

152

297

351

* Materiaalit ja valmistusprosessit voidaan räätälöidä pyynnöstä.
* Muut vaatimukset (kuten työpaine, purskepaine jne.) Voidaan myös räätälöidä tarpeen mukaan.

Jiangsu Jinding Fire Protection Technology Co., Ltd.
Jiangsu Jinding Fire Protection Technology Co., Ltd., joka sijaitsee Jiang Su Xinghua Economic Development Zone -alueella, perustettiin vuonna 1998. Se on teollisuusyritys, joka integroi suunnittelu, kehitys, tuotanto ja myynti. Yhtiö on läpäissyt ISO9001: 2015 Laatujärjestelmän sertifioinnin ja vapaaehtoisen sertifikaatin, ja siihen liittyvät tuotteet ovat saaneet kansallisen palovälineiden laadunvalvonta- ja tarkastuskeskuksen tarkastusraportin.
Yrityksemme valmistaa pääasiassa useita tuotesarjoja, mukaan lukien palonsammutusliittimet, vesisuuttimet, palopostit, suurten halkaisijoiden putkiliittimet ja öljykenttien vesihuoltoliittimet. Näitä tuotteita käytetään laajalti palontorjunnassa, öljy-, kemian-, sotilas- ja muilla teollisuudenaloilla.
Yrityksellä on hyvä riippumaton tutkimus- ja kehityskyky, ja sillä on täydellinen tuotantoprosessit, kuten muotin valmistus, tuotannon käsittely ja tuotteiden testaus. Samanaikaisesti yritys liittyy asiakkaiden vaatimusten merkityksen, markkinoiden dynamiikan oikea -aikaisia, kehittää ja tuottaa jatkuvasti uusia tuotteita ja voittaa uusien ja vanhojen asiakkaiden luottamuksen ja kiitoksen.
Yritys toimittaa luotettavasti John Morris paloletkun kytkentä ja ammattimaisia ​​palveluita, jotka perustuvat laatuun sitoutumiseen ja yhteistyökumppanuuksiin, pyrkien rakentamaan kestäviä yhteistyösuhteita asiakkaiden kanssa.
27+

27 vuotta teollisuutta Valmistuskokemus

Todistukset
Uutiset
Keskustellaan
Sano vain hei ja aloitamme hedelmällisen yhteistyön. Aloita oma menestystarina.
Tarvitsetko laitteita yrityksellesi?
Anna tiimimme tarjota sinulle mukautettuja ratkaisuja.